型號 | JEP-0.6 | |
離合器 | 制動器 | |
靜摩擦扭矩 Nm | 6 | |
額定電壓 DC-V | 24 | |
功率 W(at75℃) | 8 | 8 |
| 重量kg | 2.6 | |
(注)內置離合器/制動器為JEP專用式樣。

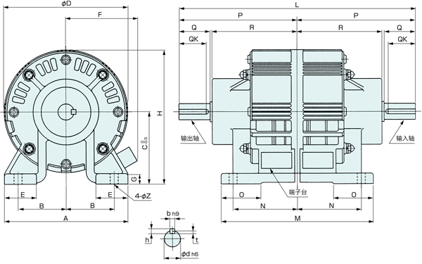
單位:mm
徑向 | 軸向 | 軸端 | 電源箱 | |||
A | 105 | L | 198 | Q | 25 | |
B | 40 | M | 130 | QK | 18 | 無接點控制器 |
C | 63 | N | 55 | d | 12 | |
D | 105 | O | 30 | b | 4 | |
E | 30 | P | 99 | h | 4 | |
F | 69 | R | 72.5 | t | 2.5 | |
G | 9 | Z | 7 | |||
H | 115.5 | |||||
| 返回列表 |
地址:中國上海市長寧區仙霞路317號遠東國際廣場B棟2513-14室 郵編:200051
TEL:021-6235-0808 FAX:021-6235-0163 Email:ika@yanagawa-tec.com
CopyRight ? 2002-2025 All rights reserved ?www.yanagawa-tec.com 滬ICP備06029996號 滬公網安備31010502004579號