型號 | SF-650/IMP | 電源箱 | |
靜摩擦扭矩 Nm | 130 | 控制器 | |
額定電壓 DC-V | 24 | ||
功率 W(at75℃) | 26 | ||
重量 kg | 5.9 |
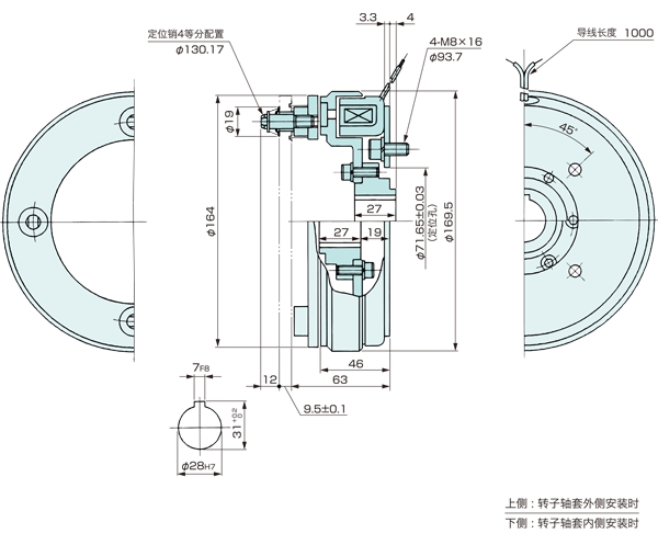
(注)轉子軸套的安裝根據中心線分為上下2種方式,不管哪種都能安裝。

單位:mm
地址:中國上海市長寧區仙霞路317號遠東國際廣場B棟2513-14室 郵編:200051
TEL:021-6235-0808 FAX:021-6235-0163 Email:ika@yanagawa-tec.com
CopyRight ? 2002-2025 All rights reserved ?www.yanagawa-tec.com 滬ICP備06029996號 滬公網安備31010502004579號