型號 | PHB-0.6 |
靜摩擦扭矩 Nm | 6 |
額定電壓 DC-V | 24 |
功率 W(at75℃) | 22.5 |
重量 kg | 4.0 |

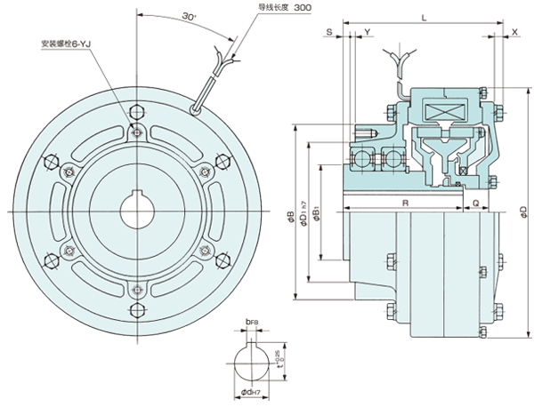
單位:mm
徑向 | 軸向 | ||||
B | 90 | L | 82.3 | ||
B1 | 45 | R | 59.5 | ||
D | 134 | Q | 18 | ||
D1 | 70 | S | 2 | ||
Y | 3 | ||||
軸孔 | X | 4.8 | |||
d | 12 | 安裝 | |||
b | 4 | YJ | 節圓直徑 | 80 | |
t | 13.5 | 螺栓 | M5×12 | ||
| 返回列表 |
地址:中國上海市長寧區仙霞路317號遠東國際廣場B棟2513-14室 郵編:200051
TEL:021-6235-0808 FAX:021-6235-0163 Email:ika@yanagawa-tec.com
CopyRight ? 2002-2025 All rights reserved ?www.yanagawa-tec.com 滬ICP備06029996號 滬公網安備31010502004579號