型號 | SF-1000/BMS |
靜摩擦扭矩 Nm | 350 |
額定電壓 DC-V | 24 |
功率 W(at75℃) | 31 |
重量 kg | 19 |

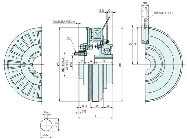
單位:mm
徑向 | 軸向 | 安裝 | 電源箱 | |||||
A | 262 | L | 127.1 | PJ | 數 | 6 | ||
A1 | 66.7 | M | 49.2 | 節圓直徑 | 80.95 | 無接點控制器 | ||
B | 260 | O | 34 | 螺栓 | M10×45 | |||
D1 | 101.6 | O1 | 16.8 | 軸孔 | ||||
G | 140 | P | 35 | d | 48 | |||
Q | 28.1 | b | 12 | |||||
R | 64 | t | 51.5 | |||||
| 返回列表 |
地址:中國上海市長寧區仙霞路317號遠東國際廣場B棟2513-14室 郵編:200051
TEL:021-6235-0808 FAX:021-6235-0163 Email:ika@yanagawa-tec.com
CopyRight ? 2002-2025 All rights reserved ?www.yanagawa-tec.com 滬ICP備06029996號 滬公網安備31010502004579號